分類

CK-N滾柱式單向離合器特性及應用:
CK-N系列為不含油封及無軸承支撐的楔塊式單向離合器,適用于低運轉速度。
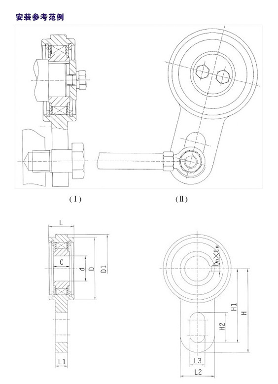
安裝時,螺栓與擺桿槽孔的間隙為槽孔的1%寬度,擺桿與離合器在安裝后絕不可有內應力存在(安裝時 螺栓不可將扭力臂軸向鎖住,徑向也要留有間隙,使得沒有彎曲應力施加于軸承及擺桿上)。
CK-N系列主要應用于包裝、印刷設備上的防止逆轉,定位給料;可在小的空間內提供較大的扭矩。

型號 | 額定扭矩 | 超越極-限轉速 | 外形尺寸〔mm〕 | 重量 | ||||||||||
d | D | D1 | C | L | L 1 | L 2 | L 3 | H | H1 | H2 | ||||
CK-N2562 | 137 | 500 | 25 | 62 | 68 | 16 | 25 | 12 | 34 | M10 | 80 | 73 | 1.8 | |
CK-N25100 | 435 | 400 | 25 | 100 | 106 | 48 | 32 | 15 | 40 | 18 | 113 | 102.5 | 35 | 2.5 |
CK-N30100 | 435 | 400 | 30 | 100 | 106 | 48 | 32 | 15 | 40 | 18 | 113 | 1.205 | 35 | 2.4 |
CK-N35100 | 435 | 400 | 35 | 100 | 106 | 48 | 32 | 15 | 40 | 18 | 113 | 102.5 | 35 | 2.3 |
CK-N40125 | 1035 | 300 | 40 | 125 | 132 | 52 | 36 | 15 | 60 | 18 | 125 | 115 | 35 | 4 |
CK-N45125 | 1035 | 300 | 45 | 125 | 132 | 52 | 36 | 15 | 60 | 18 | 125 | 115 | 35 | 3.9 |
CK-N50125 | 1035 | 300 | 50 | 125 | 132 | 52 | 36 | 15 | 60 | 18 | 125 | 115 | 35 | 3.8 |
CK-N55125 | 1035 | 300 | 55 | 125 | 132 | 52 | 36 | 15 | 60 | 18 | 125 | 115 | 35 | 3.7 |
CK-N60150 | 1290 | 250 | 60 | 150 | 161 | 54 | 40 | 15 | 70 | 18 | 140 | 130 | 35 | 6.2 |
CK-N70150 | 1290 | 250 | 70 | 150 | 161 | 54 | 40 | 15 | 70 | 18 | 140 | 130 | 35 | 6.1 |
CK-N80180 | 3900 | 200 | 80 | 180 | 190 | 70 | 50 | 20 | 70 | 25 | 165 | 150 | 30 | 9.6 |
CK-N90180 | 3900 | 200 | 90 | 180 | 190 | 70 | 50 | 20 | 70 | 25 | 165 | 150 | 30 | 9.5 |
注:鍵槽尺寸(bw×tw)按國標GB1095-79選取。